ECS晶振,石英晶振,CSM-7SSX晶振
频率:3.57M~50MHZ
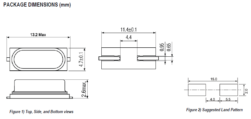
尺寸:13.2x4.7mm
	 
 
	 
ECS晶振,石英晶振,CSM-7SSX晶振,自1980年成立,在国际范围内开展业务已近35年,自成立以来超过3.0亿频率控制元件的传递。ECScrystal晶振公司国际公司作为其唯一的使命,致力于提供最先进的创新频率提供给世界的控制技术。我们的目标是建立客户的需求和我们导致解决方案,使电子世界变得更美好的先进产品之间的桥梁。
ECS,Inc.为了实现这一愿景,ECS,Inc.遵循我们的愿景,ECS,Inc.坚持创新为中心的企业文化,旨在促进和发展,最大限度地提高了我们满足不断变化的全球电子市场需求的能力各无晶圆厂合作伙伴的创造力。
总部设在美国堪萨斯州的Olathe,ECS,Inc.我们有这个领先的解决方案。建立和维护世界上最先进的可靠和具有成本效益的产品。
CSM-7SSX贴片晶振本身体积小,超薄型石英晶体谐振器,特别适用于有目前高速发展的高端电子数码产品,因为晶振本身小型化需求的市场领域 
 
| 单位 | CSM-7SSX晶振 | 石英晶振基本条件 | |
| 标准频率 | f_nom | 3.57M~50MHZ | 标准频率 | 
| 储存温度 | T_stg | -40°C ~ +85°C | 裸存 | 
| 工作温度 | T_use | -40°C ~ +85°C | 标准温度 | 
| 激励功率 | DL | 200μW Max. | 推荐:1μW ~ 100μW | 
| 频率公差 | f_— l | 
						±50 × 10-6 (标准), | 
						+25°C 对于超出标准的规格说明, | 
| 频率温度特征 | f_tem | ±30 × 10-6/-20°C ~ +70°C | 超出标准的规格请联系我们. | 
| 负载电容 | CL | 7pF ~ ∞ | 不同负载要求,请联系我们. | 
| 串联电阻(ESR) | R1 | 如下表所示 | -40°C — +85°C, DL = 100μW | 
| 频率老化 | f_age | ±5 × 10-6 / year Max. | +25°C,第一年 | 
	 
 
	 
 
	 
 
所有石英晶体振荡器和实时时钟模块都以IC形式提供。
噪音
在电源或输入端上施加执行级别(过高)的不相干(外部的)噪音,可能导致会引发功能失常或击穿的闭门或杂散现象。
电源线路
电源的线路阻抗应尽可能低。
输出负载
建议将输出负载安装在尽可能靠近石英晶体振荡器的地方(在20 mm范围之间)。
未用输入终端的处理
未用针脚可能会引起噪声响应,从而导致非正常工作。同时,当P通道和N通道都处于打开时,电源功率消耗也会增加;因此,请将未用输入终端连接到VCC 或GND。
热影响
重复的温度巨大变化可能会降低受损害的有源晶振的产品特性,并导致塑料封装里的线路击穿。必须避免这种情况。
安装方向
进口晶体振荡器的不正确安装会导致故障以及崩溃,因此安装时,请检查安装方向是否正确。
通电
不建议从中间电位和/或极快速通电,否则会导致有源晶体无法产生振荡和/或非正常工作。
晶振的软焊温度条件被设计成可以和普通电子零部件同时作业,但如果是超过规格以上的高温,则频率有可能发生较大的变化,因此请避免不 必要的高温度。
有关SMD晶振产品的回流焊焊接温度描述,请参照“表面贴装型晶体产品的回流焊焊接温度描述”。
清洗
关于一般清洗液的使用以及超声波清洗没有问题,但这仅仅是对单个石英晶体产品进行试验所得的结果,因此请根据实际使用状态进行确认。
由于音叉型晶体谐振器的频率范围和超声波清洗机的清洗频率很近,容易受到共振破坏,因此请尽可能避免超声波清洗。
若要进行超声波清洗,必须事先根据实际使用状态进行确认。
撞击
虽然石英晶体谐振器产品在设计阶段已经考虑到其耐撞击性,但如果掉到地板上或者受到过度的撞击,以防万一还是要检查特性后再使用。ECS晶振,石英晶振,CSM-7SSX晶振
	 
 
1. 驱动能力
驱动能力说明振荡晶体单元所需电功率,其计算公式如下:
驱动能力 (P) = i2?Re
其中i表示经过晶体单元的电流,
Re表示晶体单元的有效电阻,而且 Re=R1(1+Co/CL)2。
	 
 
2. 振荡补偿
除非在振荡电路中提供足够的负极电阻,否则会增加振荡启动时间,或不发生振荡。为避免该情况发生,请在电路设计时提供足够的负极电阻。
	 
 
3. 负载电容
如果振荡电路中负载电容的不同,可能导致振荡频率与设计频率之间产生偏差,如下图所示。电路中的负载电容的近似表达式 CL≒CG × CD / (CG+CD) + CS。
其中CS表示电路的杂散电容。
	 
 
频率和负载电容特征图器
	 
 
振荡回路参数设置参考
	 
 
	 
 
	 
 
公司名:深圳市金洛鑫电子有限公司
联系人:茹红青
手机:13510569637
电话:0755-27837162
QQ号:657116624
微信公众号:CITIZENCRYSTAL
搜狐公众号:晶振石英晶振NDK晶振
邮箱:jinluodz@163.com
地址:深圳市宝安区41区甲岸路19号
相关的产品 / Related Products
 
- LFOCXO063815BULK,VCOCXO晶振,正弦波输出晶振
- LFOCXO063815BULK,VCOCXO晶振,正弦波输出晶振,凭借高稳定性,正弦波低失真输出及灵活压控特性,LFOCXO063815BULK广泛应用于通信设备,工业自动化晶振系统,测试测量仪器,卫星导航终端等领域.在5G通信基站中,其精准的频率控制可保障信号传输同步,提升通信质量,在工业自动化生产线,能为PLC(可编程逻辑控制器),传感器等设备提供稳定时钟信号,确保生产流程精准可控,在高精度测试仪器中,正弦波低失真输出可提高测量数据准确性,满足精密测试需求,在卫星导航终端,通过压控调节适配卫星信号频率变化,保障定位精度.
 
- LFTVXO076348REEL,3.3V低电流电压晶振,汽车电子晶振
- LFTVXO076348REEL,3.3V低电流电压晶振,汽车电子晶振,针对汽车电子系统对功耗控制的严苛要求,该晶振采用超低功耗电路架构:通过优化内部温补模块与振荡电路,在维持高稳定输出的同时,将工作电流控制在3.3V电压下的3.2mA,休眠电流低至0.5μA,可配合车载设备的节能模式实现功耗动态调节.此外,产品具备宽电压兼容能力(3.0V~3.6V),可适应汽车供电系统的电压波动(如启动瞬间电压变化),无需额外稳压模块,简化电路设计的同时降低供电损耗,保障车载设备长期稳定运行.
 
- LFSPXO083320RL3K,蓝牙耳机晶振,智能手环晶振
- LFSPXO083320RL3K,蓝牙耳机晶振,智能手环晶振,针对蓝牙耳机与智能手环的使用特性,该晶振具备多重适配能力:在蓝牙耳机场景中,其低抖动石英振荡器信号可减少音频传输延迟,配合蓝牙芯片实现高清语音通话与流畅音乐播放,在智能手环场景中,支持心率监测,运动计步等功能的时钟同步,确保传感器数据采集的时效性.同时,晶振抗电磁干扰(EMI)性能优异,可避免与穿戴设备内部蓝牙模块,射频电路产生信号干扰,保障设备稳定运行.
JLX-PD
金洛鑫产品系列
PRODUCT LINE
                
                石英晶振
QuartzCrystal
            
                                    - KDS晶振
- 爱普生晶振
- NDK晶振
- 京瓷晶振
- 精工晶振
- 西铁城晶振
- 大河晶振
- 村田晶振
- 泰艺晶振
- TXC晶振
- 鸿星晶振
- 希华晶振
- 加高晶振
- 百利通亚陶晶振
- 嘉硕晶振
- 津绽晶振
- 玛居礼晶振
- 富士晶振
- SMI晶振
- Lihom晶振
- SHINSUNG晶振
- NAKA晶振
- AKER晶振
- NKG晶振
- NJR晶振
- Sunny晶振
                
                贴片晶振
SMDcrystal
            
                                    - CTS晶振
- 微晶晶振
- 瑞康晶振
- 康纳温菲尔德晶振
- 高利奇晶振
- Jauch晶振
- AbraconCrystal晶振
- 维管晶振
- ECScrystal晶振
- 日蚀晶振
- 拉隆晶振
- 格林雷晶振
- SiTimeCrystal晶振
- IDTcrystal晶振
- PletronicsCrystal晶振
- StatekCrystal晶振
- AEK晶振
- AEL晶振
- Cardinal晶振
- Crystek晶振
- Euroquartz晶振
- Fox晶振
- Frequency晶振
- GEYER晶振
- KVG晶振
- ILSI晶振
- Mmdcomp晶振
- MtronPTI晶振
- QANTEK晶振
- QuartzCom晶振
- Quarztechnik晶振
- Suntsu晶振
- Transko晶振
- Wi2Wi晶振
- ITTI晶振
- Oscilent晶振
- ACT晶振
- Rubyquartz晶振
- MTI-milliren晶振
- PDI晶振
- IQD晶振
- Microchip晶振
- Silicon晶振
- Anderson晶振
- Fortiming晶振
- CORE晶振
- NIPPON晶振
- NIC晶振
- QVS晶振
- Bomar晶振
- Bliley晶振
- GED晶振
- FILTRONETICS晶振
- STD晶振
- Q-Tech晶振
- Wenzel晶振
- NEL晶振
- EM晶振
- PETERMANN晶振
- FCD-Tech晶振
- HEC晶振
- FMI晶振
- Macrobizes晶振
- AXTAL晶振
- ARGO晶振
- 瑞萨renesas晶振
- Skyworks晶振
 
                
 手机版
手机版 
        












 
  		