自从我们在1990年成立以来,Golledge电子取得了前所未有的成功。经过多年的不断增长,我们现在是英国最主要的贴片晶振产品供应商。我们的注册到iso - 9001 :2015强调了对质量的全面承诺,同时我们的产品的完整性由我们的专门的内部测试和测量实验室确保。我们的专业和高效的方法使我们成为许多领先的电子设备OEM和河北的首选供应商。
总部位于西英格兰心脏地带的一个美丽的转换农场建筑的收集,Golledge向全世界50多个国家的出口石英晶振,占收入的60%以上。我们的理念始终以产品和服务的质量和一致性为基础。我们多年来一直努力保持我们的产品在频率控制市场的发展的最前沿。凭借我们对互联网和电子商务的承诺,我们能够支持我们客户最复杂和最苛刻的需求。
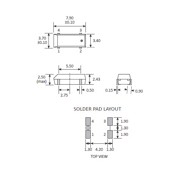
Golledge晶振,压电石英晶体谐振器,GSX-200晶振.32.768K时钟晶体具有小型,薄型,轻型的贴片晶振表面音叉型晶体谐振器,特别适用于有小型化要求的市场领域,比如智能手机,无线蓝牙,平板电脑等电子数码产品.产品本身具有耐热,耐振,耐撞击等优良的耐环境特性,满足无铅焊接以及高温回流温度曲线要求.
高利奇通过结合以往低速滚筒倒边去除晶振晶片的边缘效应,在实际操作中机器运动方式设计、滚筒的曲率半径、滚筒的长短、使用的研磨砂的型号、多少、填充物种类及多少等各项设计必须合理,有一项不完善都会使音叉晶振晶片的边缘效应不能去除,而石英晶振晶片的谐振电阻过大,用在电路中Q值过小,从而电路不能振动或振动不稳定。
|
golledge晶振 |
单位 |
GSX-200晶振 |
石英晶振基本条件 |
|
标准频率 |
f_nom |
32.768KHZ |
标准频率 |
|
储存温度 |
T_stg |
-55°C~+125°C |
裸存 |
|
工作温度 |
T_use |
-40°C~+85°C |
标准温度 |
|
激励功率 |
DL |
1.0μW Max. |
推荐:1μW~100μW |
|
频率公差 |
f_— l |
±20 × 10-6(标准), |
+25°C对于超出标准的规格说明, |
|
频率温度特征 |
f_tem |
±50 × 10-6/-10°C~+60°C |
超出标准的规格请联系我们. |
|
负载电容 |
CL |
12.5pF |
不同负载要求,请联系我们. |
|
串联电阻(ESR) |
R1 |
如下表所示 |
-40°C — +85°C,DL = 100μW |
|
频率老化 |
f_age |
±3 × 10-6/ year Max. |
+25°C,第一年 |
操作
请勿用镊子或任何坚硬的工具,夹具直接接触IC的表面。Golledge晶振,压电石英晶体谐振器,GSX-200晶振
使用环境(温度和湿度)
请在规定的温度范围内使用进口晶振。这个温度涉及本体的和季节变化的温度。在高湿环境下,会由于凝露引起故障。请避免凝露的产生。
激励功率
在晶体单元上施加过多驱动力,会导致石英晶体谐振器特性受到损害或破坏。电路设计必须能够维持适当的激励功率 (请参阅“激励功率”章节内容)。
负极电阻
除非振荡回路中分配足够多的负极电阻,否则振荡或振荡启动时间可能会增加(请参阅“关于振荡”章节内容)。
负载电容
振荡电路中负载电容的不同,可能导致无源晶振振荡频率与设计频率之间产生偏差。试图通过强力调整,可能只会导致不正常的振荡。在使用之前,请指明该振动电路的负载电容(请参阅“负载电容”章节内容)。
设计振荡回路的注意事项
1.驱动能力
驱动能力说明陶瓷壳无源晶振所需电功率,其计算公式如下:
驱动能力 (P) = i2?Re
其中i表示经过晶体单元的电流,
Re表示晶体单元的有效电阻,而且 Re=R1(1+Co/CL)2。
2.振荡补偿
除非在8038贴片晶振振荡电路中提供足够的负极电阻,否则会增加振荡启动时间,或不发生振荡。为避免该情况发生,请在电路设计时提供足够的负极电阻。
3. 负载电容
如果振荡电路中负载电容的不同,可能导致32.768K数字电表晶振振荡频率与设计频率之间产生偏差,如下图所示。电路中的负载电容的近似表达式 CL≒CG × CD / (CG+CD) + CS。
其中CS表示电路的杂散电容。Golledge晶振,压电石英晶体谐振器,GSX-200晶振
频率和负载电容特征图器
振荡回路参数设置参考




KDS晶振,贴片晶振,DMX-26S晶振
泰艺晶振,XN晶振,7015晶振,8038晶振
Statek晶振,贴片晶振,CX1VHT晶振
Statek晶振,压电石英晶体,CX9VHT晶振
Statek晶振,石英晶振,CX1HT晶振
ECLIPTEK晶振,音叉晶振,E1WSDA12-32.768K晶振
CM200C32768AZFT-32.768KHz-12.5pf-8038mm
ELS25-32.768kHz-6-2-T,8038mm晶体,AEL时钟晶振,陶瓷晶振