
香港NKG晶体,S6GA40.0000F16M25-EXT,6035陶瓷晶振,6G无线应用晶振,香港NKG晶体,S6GA陶瓷晶振,无源晶振,S6GA40.0000F16M25-EXT晶振,石英晶体谐振器,SMD晶体,6035贴片晶振,二脚封装晶振,频率40MHz,负载16pF,频率容差20ppm,工作温度-40~85°C,高稳定性晶振,低老化晶振,抗冲击晶振,6G无线应用晶振,家用电视机顶盒晶振,专业视频设备晶振,服务器和存储系统晶振.
香港NKG晶体,S6GA40.0000F16M25-EXT,6035陶瓷晶振,6G无线应用晶振特点
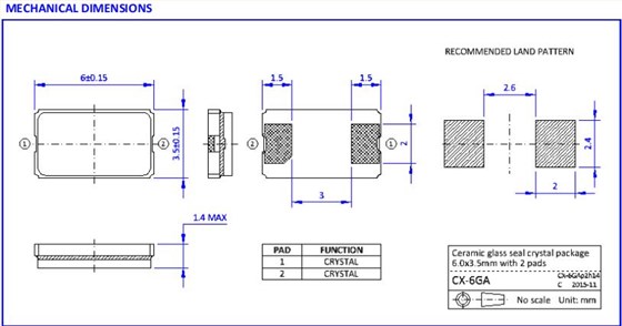
●小包装尺寸6.0 x 3.5 x 1.2mm与2个垫
●普通接缝密封封装的低成本替代品
●符合RoHS豁免

香港NKG晶体,S6GA40.0000F16M25-EXT,6035陶瓷晶振,6G无线应用晶振规格表
Parameter
Symbol
Specifications
Remarks
Frequency range
FN
40MHz
-
Cut and operation mode
-
FUNDAMENTAL
-
Frequency tolerance
Δf/f
±20ppm
Other options available
Stability over operating temp.
TC
±50ppm
Depending on operating temperaturerange, other options available
Operating temperature range
TOP
–40°C ~+85°C
Options available
Load capacitance
CL
16pF
Please specify load capacitance
Equivalent series resistance
ESR
40Ω MAX
FUND mode 20 ~ 50MHz
Drive level
DL
100µW TYP, 300µW MAX
-
Aging first year
Δf/y1
±3ppm
@+25°C



