Jauch晶振公司严格遵守国家有关工程建设法律、法规,不断提高员工的质量意识和能力,履行合约、信守承诺,坚持开拓创新,不断提升企业的施工技术素质和质量管理水平,以科学学严密的施工管理和真诚的服务让业主高度满意。严格遵守国家职业安全健康法律、法规,培养员工的安全意识和能力,持续改进职业安全健康管理绩效,预先采取安全措施,消除或降低危险,优先选用安全系数高的材料、设备及工艺,提高事故预防水平,创造良好的工作环境,保障员工的身心健康。
JAUCH晶振公司遵守所有适用的有关环境、健康和安全的法律和法规以及公司自己的有关环境、工业卫生和安全的方针和承诺。与我们的员工一起开创并保持一个免于事故的晶振工作场所。重视污染预防,消除偏离程序的行为强调通过员工努力这一最可行的方法持续改进我们经营活动的环境绩效。将持续的环境、健康和安全方面的改进、污染预防和员工的努力纳入日常运行当中。加强污染防治,减少现有的污染废弃物以及在未来生产制造中所产生的污染。

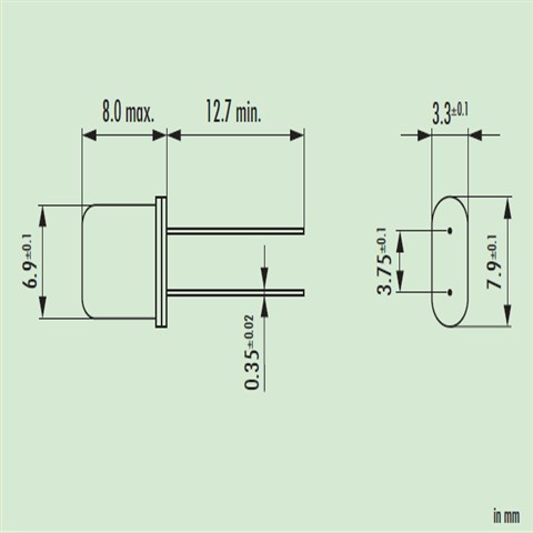
Jauch晶振,石英晶振,MQ1(UM-1)晶振,49U晶振,插件石英晶振最适合用于比较低端的电子产品,比如儿童玩具,普通家用电器,即使在汽车电子领域中也能使产品高可靠性的使用.并且可用于安全控制装置的CPU时钟信号发生源部分,好比时钟单片机上的石英晶振,在极端严酷的环境条件下,晶振也能正常工作,具有稳定的起振特性,高耐热性,耐热循环性和耐振性等的高可靠性能,由于在49/U气特性和高可靠性无受损的表面贴片型晶体谐振器使用,满足无铅焊接的回流温度曲线要求.形晶体谐振器的底部装了树脂底座,就可作为产品电
超小型、超低频石英晶振晶片的边缘处理技术:是超小型、超低频石英晶振晶体元器件研发及生产必须解决的技术问题,为压电石英晶体行业的技术难题之一。具体解决的办法是使用高速倒边方式,通过结合以往低速滚筒倒边去除晶振晶片的边缘效应,在实际操作中机器运动方式设计、滚筒的曲率半径、滚筒的长短、使用的研磨砂的型号、多少、填充物种类及多少等各项设计必须合理,有一项不完善都会使石英晶振晶片的边缘效应不能去除,而石英晶振晶片的谐振电阻过大,用在电路中Q值过小,从而电路不能振动或振动不稳定。

|
Jauch晶振 |
单位 |
MQ1(UM-1)晶振 |
石英晶振基本条件 |
|
标准频率 |
f_nom |
0.9216~250MHZ |
标准频率 |
|
储存温度 |
T_stg |
-55°C~+125°C |
裸存 |
|
激励功率 |
DL |
500μW Max. |
推荐:500μW |
|
频率公差 |
f_— l |
±5,±30× 10-6(标准) |
+25°C对于超出标准的规格说明, |
|
频率温度特征 |
f_tem |
±10±15,±20,±30× 10-6/-20°C~+70°C |
超出标准的规格请联系我们. |
|
负载电容 |
CL |
8~32pF |
不同负载要求,请联系我们. |
|
串联电阻(ESR) |
R1 |
如下表所示 |
-40°C — +85°C,DL = 100μW |
|
频率老化 |
f_age |
±3× 10-6/ year Max. |
+25°C,第一年 |

这些晶振知识介绍是指,插件晶振在产品上线之后发生不良品或者没反应的情况下,自检办法。石英晶振如果在电路上的功能不规则或根本无法全部晶振找出得到了应用操作,请使用以下的清单找出可能存在的问题。请按照确定的因素和可能的解决方案的说明。我们从晶振使用输出无信号开始寻找相关问题。Jauch晶振,石英晶振,MQ1(UM-1)晶振,49U晶振
我们可以先使用示波器或者频率计数器来检查DIP石英晶体终端的两个信号,如果没有信号输出,请按照步骤1-1到1-4步执行检查。如果有从石英晶振(XOUT)的输出端子的输出信号,而是从在终端(辛)输出没有信号,请检查石英晶振体以下step1-5到步骤1-6。
你可以先把晶体卸载下来并测试晶振的频率和负载电容,看看他们是否能振动,也可以使用专业的石英晶体测试仪器来检测 。如果你没法检测你也可以将不良品发送给我公司,我们检测分析之后告诉你结果。如果有下列情况发生,49U型晶振不起振,首先你先查看你产品上使用的负载电容CL是否对,是否跟你的线路相匹配,或者是晶振的精度是否符合你的要求,或者你可以把产品发送回我公司分析。如果晶振频率和负载电容跟要求相对应的话,我们将需要进行等效电路测试。比如等效电路测试如下:
振荡补偿:除非在49U插件石英晶体振荡电路中提供足够的负极电阻,否则会增加振荡启动时间,或不发生振荡。为避免该情况发生,请在电路设计时提供足够的负极电阻。Jauch晶振,石英晶振,MQ1(UM-1)晶振,49U晶振
测试条件:(1)电源电压:超过 150µs,直到电压级别从 0 %达到 90 % 。电源电压阻抗低于电阻 2Ω。(2)其他:输入电容低于 15 pF5倍频率范围或更多测量频率。铅探头应尽可能短。测量插件石英晶体频率时,探头阻抗将高于 1MΩ。当波形经过振荡器的放大器时,可同时进行测量。(3)其他:CL包含探头电容。应使用带有小的内部阻抗的电表。使用微型插槽,以观察波形。(请勿使用该探头的长接地线).
振荡频率测量:必须尽可能地测量安装在电路上的谐振器的振荡频率的真实值,使用直插式无源晶体正确的方法。在振荡频率的测量中,通常使用探头和频率计数器。然而,我们的目标是通过限制测量工具对振荡电路本身的影响来测量。有三种频率测量模式,如下面的图所示(图)。2, 3和4)。最精确的测量方法是通过使用任何能够精确测量的频谱分析仪来实现的。
接触振荡电路:探针不影响图2,因为缓冲器的输出是通过进口49U插件晶振输入振荡电路的输出来测量的。逆变器进入下一阶段。探针不影响图3,因为在IC上测量缓冲器输出(1/1、1/2等)。图4示出了来自ic的无缓冲器输出接收的情况,由此通过小尺寸测量来最小化探针的效果。输出点之间的电容(3 pF以下XTAL终端IC)和探针。然而,应该注意到,使用这种方法输出波形较小,测量不能依赖于即使示波器能检查振荡波形,频率计数器的灵敏度也可以。在这种情况下,使用放大器来测量。





ECLIPTEK晶振,石英晶振,EUAA18-20.000M晶振,无源进口晶振
NDK晶振,石英晶振,NR-2C晶振,无源晶振
CTS晶振,石英晶振,MP-SMMC晶振,插件晶振
Golledge晶振,石英晶振,GDX-2晶振,无源DIP晶振
Raltron晶振,石英晶振,A-SMD晶振,无源晶振
瑞康晶振,石英晶振,HC-49/U晶振,进口无源晶振
ILSI晶振,石英晶振,HC49U晶振,插件无源晶振
Crystek晶振,石英晶振,CYxx晶振,石英进口晶振