日本精工爱普生接受了中国苏州政府2007 年的招商引资,命名为【爱普生拓优科梦水晶元器件(苏州)有限公司】 爱普生拓优科梦(Epson Toyocom)是精工爱普生株式会社与爱普生(中国)有限公司共同投资成立的有限责任公司(外商合资).爱普生品牌系列千赫子的石英贴片晶振,目前占据了中国市场进口晶25%的份额,品牌质量,货期,品种,品质是广大用户有目共睹.EPSON爱普生公司成立于1942年5月,总部位于日本长野县诹访市,是数码映像领域的全球领先企业.爱普生集团通过富有创新和创造力的文化,提升企业价值,致力于为客户提供数码影像创新技术和解决方案.
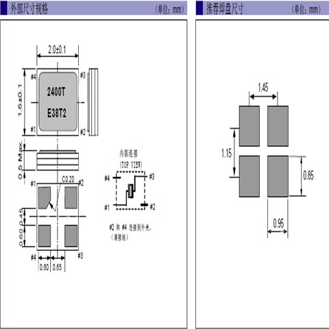
爱普生晶振,SMD晶体,FA2016AN晶振,2.0*1.6mm的贴片式晶体谐振器在业界里一直都是众多生产厂家
|
爱普生晶振 |
单位 |
型号+晶振 |
石英晶振基本条件 |
|
标准频率 |
f_nom |
12.00MHZ~54.0MHZ |
标准频率 |
|
储存温度 |
T_stg |
-40°C~+125°C |
裸存 |
|
工作温度 |
T_use |
-40°C~+85°C |
标准温度 |
|
激励功率 |
DL |
200μW Max. |
推荐:1μW~100μW |
|
频率公差 |
f_— l |
±50 × 10-6(标准), |
+25°C对于超出标准的规格说明, |
|
频率温度特征 |
f_tem |
±30 × 10-6/-20°C~+70°C |
超出标准的规格请联系我们. |
|
负载电容 |
CL |
8pF ,10PF,12PF,20PF |
不同负载电容要求,请联系我们. |
|
串联电阻(ESR) |
R1 |
如下表所示 |
-40°C — +85°C,DL = 100μW |
|
频率老化 |
f_age |
±5 × 10-6/ year Max. |
+25°C,第一年 |
机械振动的影响
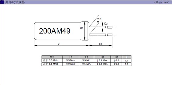
当CA-301石英晶体谐振器产品上存在任何给定冲击或受到周期性机械振动时,比如:压电扬声器,压电蜂鸣器,以及喇叭等,输出频率和幅度会受到影响。这种现象对通信器材通信质量有影响。尽管晶体产品设计可最小化这种机械振动的影响,我们推荐事先检查并按照下列安装指南进行操作。爱普生晶振,圆柱晶振,CA-301晶体
PCB设计指导
(1) 理想情况下,机械蜂鸣器应安装在一个独立于MHZ圆形晶体器件的PCB板上。如果您安装在同一个PCB板上,最好使用余量或切割PCB。当应用于PCB板本身或PCB板体内部时,机械振动程度有所不同。建议遵照内部板体特性。
(2)在设计时请参考相应的推荐封装。
(3)在使用焊料助焊剂时,按JIS标准(JIS C 60068-2-20/IEC 60,068-2-20).来使用。
(4)请按JIS标准(JIS Z 3282, Pb 含量 1000ppm, 0.1wt% 或更少)来使用无铅焊料。
存储事项
(1)在更高或更低温度或高湿度环境下长时间保存进口贴片晶振产品时,会影响频率稳定性或焊接性。请在正常温度和湿度环境下保存这些圆柱插件晶振产品,并在开封后尽可能进行安装,以免长期储藏。
正常温度和湿度:
温度:+15°C 至 +35°C,湿度 25 % RH 至 85 % RH(请参阅“测试点JIS C 60068-1 / IEC 60068-1的标准条件”章节内容)。
(2)请仔细处理内外盒与卷带。外部压力会导致卷带受到损坏。MHZ圆柱晶体,无源插件晶体,CA-301晶振
2、输出波形与测试电路
1.时序表
2.测试条件
(1)电源电压
超过 150µs,直到电压级别从 0 %达到 90 % 。
电源电压阻抗低于电阻 2Ω。MHZ圆柱晶体,无源插件晶体,CA-301晶振
(2)其他
输入电容低于 15 pF
5倍频率范围或更多测量频率。
铅探头应尽可能短。
测量频率时,探头阻抗将高于 1MΩ。当波形经过振荡器的放大器时,可同时进行测量。
(3)其他
CL包含探头电容。
应使用带有小的内部阻抗的电表。
使用微型插槽,以观察波形。
(请勿使用该探头的长接地线。)爱普生晶振,圆柱晶振,CA-301晶体
3.测试电路



爱普生晶振,贴片晶振,FA-128晶振,FA-128 24.0000MF10Z-W3
SXT21410BB17-18.432M|2016mm|10pf|欧美松图晶振
SG2016EGN125.000000MHzCJGPZA-6G网络设备晶振-爱普生差分晶振
QuartzCom晶振,MCO-7S时钟振荡器,32MHz,6G无线网络晶振
O 20.0-JO21-G-1V3-1-T1-LF,HCMOS输出晶振,6G相关设备晶振
Anderson品牌,AE-138-A-1-4085-1-30-27M0000,6G无线通信晶振
富通晶振,XCS21-38M400-1E15D16,2016mm,6G无线通信晶振
NKG晶振,S2SM20.0000F16M23-EXT,2016mm晶振,6G无线模块晶振
NKG晶振,CT20M26.0000F10V11-100,超小型热敏晶体,6G电信应用晶振